Files
notes/uni/mmme/2051_electromechanical_devices/kirchhoff.md
2023-02-17 13:24:14 +00:00

1.3 KiB
Executable File

author, date, title, tags, uuid, lecture_slides
author date title tags uuid lecture_slides
Akbar Rahman \today MMME2051 // Kirchhoff's Current Law, Voltage Law
kirchhoff
kcl
kvl
88e2eb6a-7f6a-4ea0-9850-81305028e7b5 ./lecture_slides/MMME2051EMD_Lecture2A.pdf

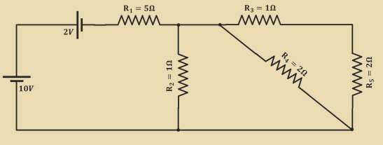
Application of Kirchhoff's Current/Voltage Laws (KCL, KVL)

(lecture slides 14-21)

  1. Identify all the loops in the circuit and assign each loop a "loop current" variable:

  2. Identify "branch current" values (apply KCL)

  3. Apply KVL to each loop:

    Loop 1: 10 - 2 - V_1 - V_2 = 0
    Loop 2: V_2 - V_4 = 0
    Loop 3: V_4 - V_3 - V_5 = 0

  4. Apply Ohm's Law to KVL

    Loop 1 (origin at node A):

    \begin{align*} 0 &= 10 - 2 - V_1 - V_2 \ &= 8 - I_1R_1 - (I_1-I_2)R_2 = 0 \ 8 &= I_1(R_1+R+2) - I_2R_2 \ &= 6I_1 - I_2 \end{align*}

    Loop 2 (origin at node B):

    \begin{align*} 0 &= V_2 - v_4 \ &= (I_1-I_2)R_2 - (I_2-I_3)R_4 \ &= I_1 - 3I_2 + 2I_3 \end{align*}

    Loop 3 (origin at node C):

    \begin{align*} 0 &= V_4 - V_3 - V_5 \ &= (I_2-I_3)R_4 - I_3R_3 - I_3R_5 \ &= 2I_2 - 5I_3 \end{align*}