Files
notes/uni/mmme/2044_design_manufacture_and_project/seals.md

4.7 KiB
Executable File

author, date, title, tags, uuid
author date title tags uuid
Akbar Rahman \today MMME2044 // Seals
uni
mmme2044
seals
ff74e8ad-090d-47eb-b9cc-41ccdefb9a63

Function

  • used to prevent or limit leakage of fluids or particulates
  • keep dirt out
  • allow motion
  • allow disassembly

Classification of Seals

O-Rings

  • good for static and low speed applications

  • requires interference fit

  • application is codified---use a standard where possible (BS 4518:1982, BS ISO 3601-1~5)

  • sized by internal diameter (ID) and section diameter (A)

  • works by having the rubber o-ring squeezed against the two surfaces

    • pre-compression ensures sealing when there is no pressure

Challenger Space Shuttle Disaster

  • Space Shuttle Challenger broke apart 73 seconds into flight
  • at the low temperatures, the o-rings lost their resilience
  • the booster cases distorted during launch
  • insufficient groove width in o-ring design

Common Forms of Failure

  • Abrasion---sealing face is worn away. Can be reduced with smoother surfaces, harder materials, better lubricant, and reduced speed

  • Compression set---the sealing face is permanently distorted. Can be solved with more temperature resistant o-rings

  • Installation damage---can be avoided with chamfers and blending radii

  • Extrusion---the o-ring is forced into the sealing clearence. can be avoided with:

    • smaller clearances < 0.13 mm;
    • harder material
    • different cross section
    • backup rings---come in a range of shapes and sizes (BS 5106:1988)
  • Spiral damage---o-ring is twisted and leaks. can be avoided with:

    • lower reciprocating speed
    • harder material
    • different cross sections (e.g. quadrant seals, which have a x-shaped section)

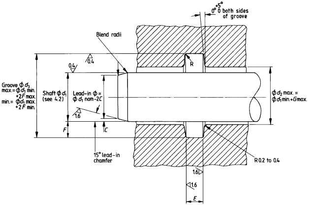
Groove Dimensions

  • up to 100 bar for static loading
  • up to 14 bar & 3.8 m/s for dynamic loading

i don't know when this is the case but it just says this in the [lecture slides](./lecture_slides/Lecture 6 Seals_v1.0.pdf) (and i haven't watched the lecture yet)

  • $F$---radial depth
  • $E$---groove width
  • $G$---total clearance
  • $C$---lead-in chamfer
  • $R$---radius

Groove in Cylinder

Groove in Piston

Example of a Dimensions Table

O-Ring Properties

Material Hardness (Shore A) Temperature Range ($^{\circ}$C) Uses
Nitrile rubber 70 -30 to 110 general purpose, fuel, oils, water
Silicone 70 -60 to 200 medical, body fluid resistant, low temp, alcohol, oxygen
Viton (fluorocarbon) 85 -20 to 200 high temperature, extreme chemicals
Polyurethane 95 -30 to 110 high temps, oil, gas, hydraulics, good wear

Shore A context:

Item Hardness (Shore A)
Rubber band 20
Pencil rubber 40
Tire tread 70
Shoe heel 80

Gaskets

  • a material or combination of materials clamped between two separable members to form a joint

Gasket Anatomy

  1. Base material---a compliant element such as cork, cellulose, or a fibre
  2. Binders---temperature and chemical resistant material such as rubber, elastomers, and resins
  3. Fillers---fill voids in base material. usually rubbers, elastomers, or resins
  4. Reinforcements---prevents distortion. usually a metal or fabric core

Seals in Rotating Shafts

  • low pressure and low temperature---o rings, radial lip seals, axial lip seals
  • high pressure---high performance lip seals, mechanical seals
  • high temperature---labrynth seals

O-Rings

  • o-rings can be used in dynamic applications
  • friction is high but sealing is good within operating range (14 bar, 3.8 m/s)
  • surface roughness must not exceed 0.4 mm Ra, should be around 0.1 mm Ra
  • spiral and abrasion are main failure modes, if installed correctly

Radial Lip Seal Anatomy

  • low pressure---0.3-0.6 bar, up to 7 bar with backing plate
  • moderate speed---up to 16 m/s
  • high temperature
  • normal environmental conditions
  • slight leakage permitted
  • normally made of nitrile rubber compounds

Types of Lip Seal

  • BS ISO 6149-1:2007 defines 4 basic types of rotary shaft lip seal:

    a secondary lip can keep out dirt but cause temperature to ride

    • $D_1$---nominal diameter of shaft
    • $D_2$---nominal diameter of housing
    • $b$---nominal seal width
    • $A$---air side
    • $B$---fluid side