4.7 KiB
Executable File
author, date, title, tags, uuid
| author | date | title | tags | uuid | |||
|---|---|---|---|---|---|---|---|
| Akbar Rahman | \today | MMME2044 // Seals |
|
ff74e8ad-090d-47eb-b9cc-41ccdefb9a63 |
Function
- used to prevent or limit leakage of fluids or particulates
- keep dirt out
- allow motion
- allow disassembly
Classification of Seals
O-Rings
-
good for static and low speed applications
-
requires interference fit
-
application is codified---use a standard where possible (BS 4518:1982, BS ISO 3601-1~5)
-
sized by internal diameter (ID) and section diameter (A)
-
works by having the rubber o-ring squeezed against the two surfaces
- pre-compression ensures sealing when there is no pressure
Challenger Space Shuttle Disaster
- Space Shuttle Challenger broke apart 73 seconds into flight
- at the low temperatures, the o-rings lost their resilience
- the booster cases distorted during launch
- insufficient groove width in o-ring design
Common Forms of Failure
-
Abrasion---sealing face is worn away. Can be reduced with smoother surfaces, harder materials, better lubricant, and reduced speed
-
Compression set---the sealing face is permanently distorted. Can be solved with more temperature resistant o-rings
-
Installation damage---can be avoided with chamfers and blending radii
-
Extrusion---the o-ring is forced into the sealing clearence. can be avoided with:
- smaller clearances < 0.13 mm;
- harder material
- different cross section
- backup rings---come in a range of shapes and sizes (BS 5106:1988)
-
Spiral damage---o-ring is twisted and leaks. can be avoided with:
- lower reciprocating speed
- harder material
- different cross sections (e.g. quadrant seals, which have a x-shaped section)
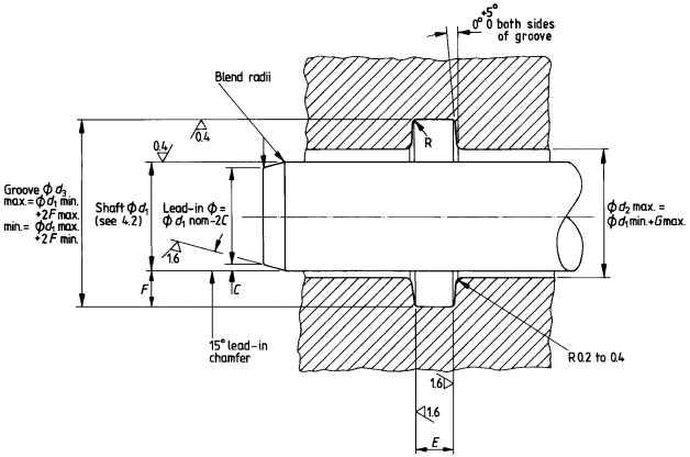
Groove Dimensions
- up to 100 bar for static loading
- up to 14 bar & 3.8 m/s for dynamic loading
i don't know when this is the case but it just says this in the [lecture slides](./lecture_slides/Lecture 6 Seals_v1.0.pdf) (and i haven't watched the lecture yet)
- $F$---radial depth
- $E$---groove width
- $G$---total clearance
- $C$---lead-in chamfer
- $R$---radius
Groove in Cylinder
Groove in Piston
Example of a Dimensions Table
O-Ring Properties
| Material | Hardness (Shore A) | Temperature Range ($^{\circ}$C) | Uses |
|---|---|---|---|
| Nitrile rubber | 70 | -30 to 110 | general purpose, fuel, oils, water |
| Silicone | 70 | -60 to 200 | medical, body fluid resistant, low temp, alcohol, oxygen |
| Viton (fluorocarbon) | 85 | -20 to 200 | high temperature, extreme chemicals |
| Polyurethane | 95 | -30 to 110 | high temps, oil, gas, hydraulics, good wear |
Shore A context:
| Item | Hardness (Shore A) |
|---|---|
| Rubber band | 20 |
| Pencil rubber | 40 |
| Tire tread | 70 |
| Shoe heel | 80 |
Gaskets
- a material or combination of materials clamped between two separable members to form a joint
Gasket Anatomy
- Base material---a compliant element such as cork, cellulose, or a fibre
- Binders---temperature and chemical resistant material such as rubber, elastomers, and resins
- Fillers---fill voids in base material. usually rubbers, elastomers, or resins
- Reinforcements---prevents distortion. usually a metal or fabric core
Seals in Rotating Shafts
- low pressure and low temperature---o rings, radial lip seals, axial lip seals
- high pressure---high performance lip seals, mechanical seals
- high temperature---labrynth seals
O-Rings
- o-rings can be used in dynamic applications
- friction is high but sealing is good within operating range (14 bar, 3.8 m/s)
- surface roughness must not exceed 0.4 mm Ra, should be around 0.1 mm Ra
- spiral and abrasion are main failure modes, if installed correctly
Radial Lip Seal Anatomy
- low pressure---0.3-0.6 bar, up to 7 bar with backing plate
- moderate speed---up to 16 m/s
- high temperature
- normal environmental conditions
- slight leakage permitted
- normally made of nitrile rubber compounds







