1.3 KiB
Executable File
1.3 KiB
Executable File
author, date, title, tags, uuid, lecture_slides
| author | date | title | tags | uuid | lecture_slides | |||
|---|---|---|---|---|---|---|---|---|
| Akbar Rahman | \today | MMME2051 // Kirchhoff's Current Law, Voltage Law |
|
88e2eb6a-7f6a-4ea0-9850-81305028e7b5 | ./lecture_slides/MMME2051EMD_Lecture2A.pdf |
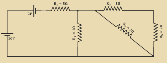
Application of Kirchhoff's Current/Voltage Laws (KCL, KVL)
(lecture slides 14-21)
-
Identify all the loops in the circuit and assign each loop a "loop current" variable:
-
Identify "branch current" values (apply KCL)
-
Apply KVL to each loop:
Loop 1:
10 - 2 - V_1 - V_2 = 0
Loop 2:V_2 - V_4 = 0
Loop 3:V_4 - V_3 - V_5 = 0 -
Apply Ohm's Law to KVL
Loop 1 (origin at node A):
\begin{align*} 0 &= 10 - 2 - V_1 - V_2 \ &= 8 - I_1R_1 - (I_1-I_2)R_2 = 0 \ 8 &= I_1(R_1+R+2) - I_2R_2 \ &= 6I_1 - I_2 \end{align*}
Loop 2 (origin at node B):
\begin{align*} 0 &= V_2 - v_4 \ &= (I_1-I_2)R_2 - (I_2-I_3)R_4 \ &= I_1 - 3I_2 + 2I_3 \end{align*}
Loop 3 (origin at node C):
\begin{align*} 0 &= V_4 - V_3 - V_5 \ &= (I_2-I_3)R_4 - I_3R_3 - I_3R_5 \ &= 2I_2 - 5I_3 \end{align*}



